Senin, 13 September 2021

Esquema Electrico Fiat Palio 17 Td

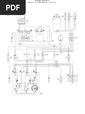
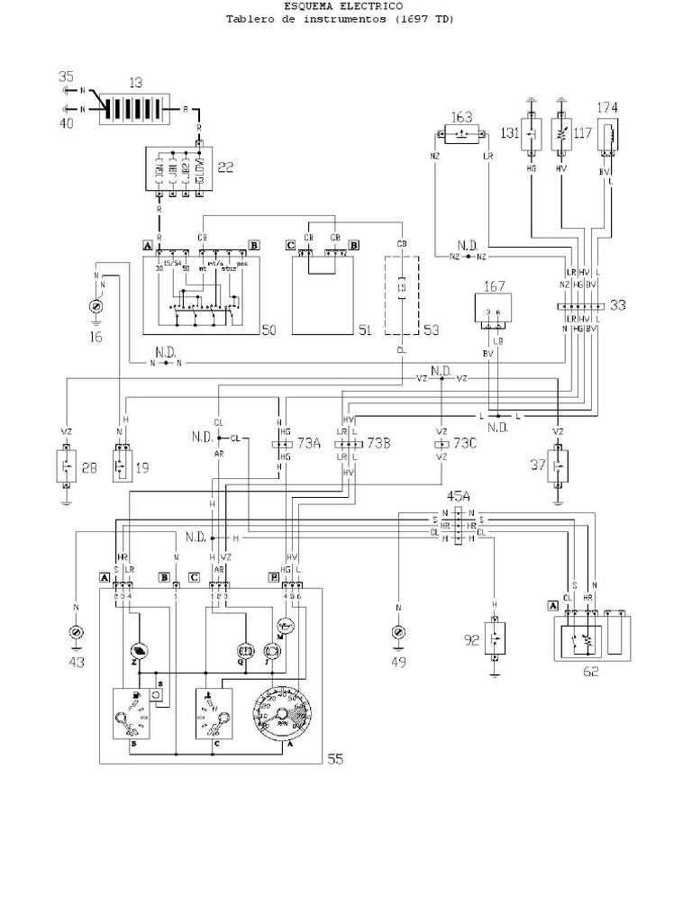
Tablero de instrumentos 1697 TD. Esquema eléctrico Magneti Marelli IAW 08R Monopunto Para Motores C3L.

Esquema Electrico Fiat Palio 1 7td Pdf


FIAT SIENA FIRE 14 MPi-esquema Electrico.

Esquema electrico fiat palio 17 td. ESQUEMA ELÉCTRICO FIAT PALIO 17TD - Free download as PDF File pdf Text File txt or read online for free. Denunciar Buenas si tenemos el manual de taller con la info y diagramas de palio. Manual de Uso y Mantto.

Palio fire 13 16v. Puede descargar versiones en PDF de la guía los manuales de usuario y libros electrónicos sobre esquema electrico fiat siena 1 7 td listas de archivos pdf esquema electrico fiat siena 1 7 td esquema electrico fiat siena 1 7 td. Ecu Magnetti Marelli IAB Pin Out Palio Siena 16 Valvulas.

Puede descargar versiones en PDF de la guía los manuales de usuario y libros electrónicos sobre esquema electrico fiat siena 1 7 td también se puede encontrar y descargar de forma gratuita un manual en línea gratis avisos con principiante e intermedio Descargas de documentación Puede descargar archivos PDF o DOC y PPT acerca esquema electrico fiat siena 1 7 td. Buenas noches necesito el esquema electrico del fiat palio hl 98 17 td este me sirve.

Esquema Electrico Fiat Palio 1 7td Pdf


Fiat Palio Siena Manual De Diagrama Electrico Pindata Espano Mercado Libre


Manual Electrico Fiat Palio 1 8 Pdf Txt


Manual Electrico Fiat Palio 1 8 Pdf Txt


Fiat Palio Siena Manual De Diagrama Electrico Pindata Espano Mercado Libre


Fiat Palio Siena Manual De Diagrama Electrico Pindata Espano Mercado Libre


Manual Electrico Fiat Palio 1 8 Pdf Txt


Esquemas Electricos Pdf Rele Tecnologia De Vehiculos


Esquema Electrico Fiat Palio Pdf Rele Componentes


Esquema Electrico Fiat Palio Pdf Txt


Fiat Palio Siena Manual De Diagrama Electrico Pindata Espano Mercado Libre


Manual Electrico Fiat Palio 1 8 Pdf Txt


Fiat Palio Siena Manual De Diagrama Electrico Pindata Espano Mercado Libre


Fiat Manual De Esquemas Electricos Fiat Palio Y Fiat Siena Pdf Txt


Manual Electrico Fiat Palio 1 8 Pdf Txt


Descargar Diagramas De Autos Fiat En Club De Diagramas


Esquema Electrico Fiat Palio Pdf Txt


Manual De Reparacion Fiat Palio Y Siena


Plano Electrico Electroventilador Electricidad Electronica E Instrumental



Tidak ada komentar:

Posting Komentar

Fiat 125 Modelo 79

New and used items cars real estate jobs services vacation rentals. Fiat 125 modelo 79. Fiat 125 Special Fiat Retro Cars Fi...